是
不锈钢
25~250bar
大于100mm
防腐型
1.0
波登管
应用
用于石油天然气的开采
适用于非高粘度或不易结晶,不����� �������Ƴ������������ �������Ƴ������������ �������Ƴ������������ �������Ƴ�������易凝固的气体和液体介质
功能特性
波登管仪表
酚醛外壳
性价比高
量程可定制
精度1.0%
描述
有较好的耐腐蚀和耐盐雾的性能����� �������Ƴ������������ �������Ƴ������������ �������Ƴ������������ �������Ƴ�������
受压后波登管产生变形位移,再由表内机芯的����� �������Ƴ������������ �������Ƴ������������ �������Ƴ������������ �������Ƴ������转换机构将压力形变传导至指针,引起指针转动来显����� �������Ƴ������������ �������Ƴ������������ �������Ƴ������������ �������Ƴ������示压力。
螺纹尺寸可定制
应用
用于石油天然气的开采
适用于非高粘度或不易结晶,不易凝固的气体和液����� �������Ƴ������������ �������Ƴ������������ �������Ƴ����������� �������Ƴ�������体介质
功能特性
波登管仪表
酚醛外壳
性价比高
量程可定制
精度1.0%
描述
有较好的耐腐蚀和耐盐雾的����� �������Ƴ������������ �������Ƴ������������ �������Ƴ������������ �������Ƴ������性能
受压后波登管产生变形位移,再由����� �������Ƴ������������ �������Ƴ������������ �������Ƴ������������ �������Ƴ�������表内机芯的转换机构将压力形变传导至指����� �������Ƴ������������ �������Ƴ������������ �������Ƴ������������ �������Ƴ�������针,引起指针转动来显示压力。
螺纹尺寸可定制
| | 不锈钢结构 | 黄铜结构 |
| 表盘 | 4.5” (115mm)  ����� �������Ƴ����������� �������Ƴ������������ �������Ƴ������������ �������Ƴ������;铝 ,黑色字样 | 4.5” (115mm) ����� �������Ƴ������������ �������Ƴ������������ �������Ƴ������������ �������Ƴ�������铝 ,黑色和红色字样 |
| 减压后盖 | 聚乙烯 | 聚乙烯 |
| 镜面 | PC | PC |
| 罩壳 | 酚醛 | 酚醛 |
| 指针 | 铝, 黑色阳极, 千分尺可调 | 铝, 黑色阳极, 千分尺可调 |
| 接头材质 | 316L不锈钢 | OT 58 黄铜 |
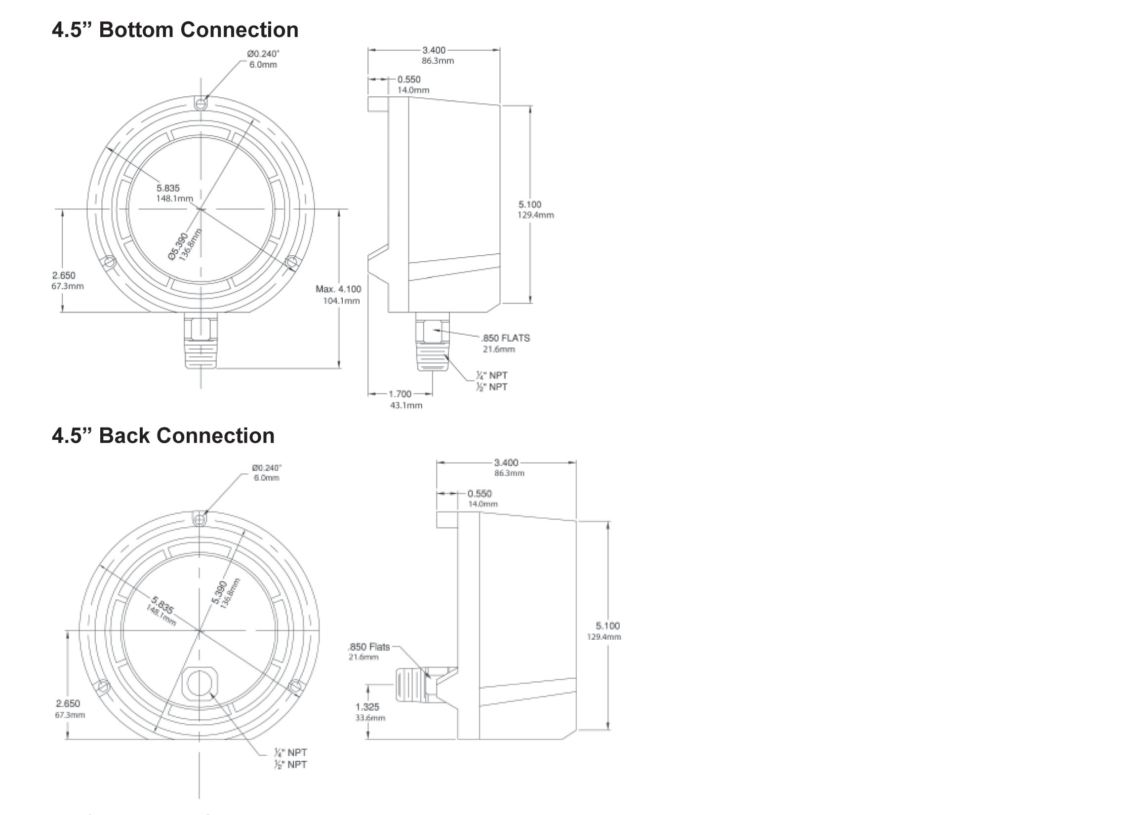
| 接头规格 | 1/4” NPT 或1/2” NPT 标准, 轴向或径向 | 1/4” NPT 或 1/2” NPT 标准, 轴向或径向 |
| 波登管 | 316L SS, 冷拔无缝管 | 磷青铜 |
| 机芯 | 304不锈钢 | 304不锈钢 |
| 垫片材料 | 硅酮 | 硅酮 |
| 焊接工艺 | TIG | 银合金 |
| 工作压力 | 满量程的75% | 满量程的75% |
| 环境温度 | 无油: -40°C到120°C 充甘油: -20°C到65&de����� �������Ƴ������������ �������Ƴ������������ �������Ƴ������������ �������Ƴ�������g;C | 无油: -40°C到120&d����� �������Ƴ������������ �������Ƴ������������ �������Ƴ������������ �������Ƴ�������eg;C 充甘油: -20°C到65&d����� �������Ƴ������������ �������Ƴ������������ �������Ƴ������������ �������Ƴ�������eg;C |
| 介质温度 | -40°C到120&de����� �������Ƴ������������ �������Ƴ������������ �������Ƴ������������ �������Ƴ������g;C | -40°C到65°����� �������Ƴ������������ �������Ƴ������������ �������Ƴ������������ �������Ƴ�������;C |
| 精度 | ±0.5% ANSI/ASME Grade 2A | ±0.5%����� �������Ƴ������������ �������Ƴ������������ �������Ƴ������������ �������Ƴ������� ANSI/ASME Grade 2A |
| 防护等级 | IP65 | IP65 |
| | 不锈钢结构 | 黄铜结构 |
| 表盘 | 4.5” (115mm) ����� �������Ƴ������������ �������Ƴ������������ �������Ƴ������������ �������Ƴ�������铝 ,黑色字样 | 4.5” (115mm) 铝 ,黑色和红����� �������Ƴ������������ �������Ƴ������������ �������Ƴ������������ �������Ƴ�������色字样 |
| 减压后盖 | 聚乙烯 | 聚乙烯 |
| 镜面 | PC | PC |
| 罩壳 | 酚醛 | 酚醛 |
| 指针 | 铝, 黑色阳极, 千分尺可调 | 铝, 黑色阳极, 千分尺����� �������Ƴ������������ �������Ƴ������������ �������Ƴ������������ �������Ƴ������可调 |
| 接头材质 | 316L不锈钢 | OT 58 黄铜 |
| 接头规格 | 1/4” NPT 或1/2” NPT 标准, 轴向或径向 | 1/4” NPT 或 1/2” NPT 标准, 轴向或径向 |
| 波登管 | 316L SS, 冷拔无缝管 | 磷青铜 |
| 机芯 | 304不锈钢 | 304不锈钢 |
| 垫片材料 | 硅酮 | 硅酮 |
| 焊接工艺 | TIG | 银合金 |
| 工作压力 | 满量程的75% | 满量程的75% |
| 环境温度 | 无油: -40°C到120&d����� �������Ƴ������������ �������Ƴ������������ �������Ƴ������������ �������Ƴ�������eg;C 充甘油: -20°C到65°����� �������Ƴ������������ �������Ƴ������������ �������Ƴ������������ �������Ƴ������;C | 无油: -40°C到1����� �������Ƴ������������ �������Ƴ������������ �������Ƴ����������� �������Ƴ������20°C 充甘油: -20°����� �������Ƴ������������ �������Ƴ������������ �������Ƴ������������ �������Ƴ������;C到65°C |
| 介质温度 | -40°C到120°C | -40°C到65°C |
| 精度 | ±0.5% ANSI/ASME Grade 2A | ±0.5% ANSI/ASME Grade ����� �������Ƴ������������ �������Ƴ������������ �������Ƴ������������ �������Ƴ�������2A |
| 防护等级 | IP65 | IP65 |